手机版
购物车
(
0
)
机械租赁
机械出售
工程招标
企业名录
资讯中心
人才招聘
展览会议
机械视频
求购求租
网站首页
机械租赁
机械出售
机械维修
工程招标
企业名录
资讯中心
人才招聘
展览会议
机械视频
求购求租
首页
>
机械租赁
>
路桥机械
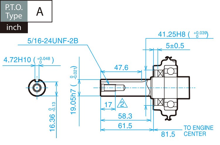
雅马哈6.5马力工程电力市政路桥农用机械动力输出汽油发动机MX200
价格
¥
2140.00
评价
已有
0
条评价
人气
已有
29
人关注
数量
+
-
库存
433
件
商家资料
运城机械租赁平台
[诚信档案]
已缴纳
0.00
元保证金
联系人
高先生(女士)
会员
[
当前离线
]
[加为商友]
[发送信件]
电话
地区
山西-运城市
地址
经营范围包括一般项目:机械设备租赁;建筑材料销售;轻质建筑材料销售;水泥制品销售;金属制品销售;机械设备销售;土石方工程施工;工程管理服务;劳务服务(不含劳务派遣)。(除依法须经批准的项目外,凭营业执照依法自主开展经营活动) 许可项目:道路货物运输(不含危险货物)。(依法须经批准的项目,经相关部门批准后方可开展经营活动,具体经营项目以相关部门批准文件或许可证件为准)
商品详情
评价详情(0)
举报
0
收藏
0
分享
5
正在载入评价详细...